ロチェスターエレクトロニクスが好んだ次の1970年代の半導体は、PAL(プログラマブルアレイロジック)です。
PALは、プログラマブルロジックデバイスとして、一番最初に市場に登場したわけではありません。その名誉は、SigneticsとIntersilのPALにあります。多くの人にとってPALは、現在のインテルやAMDのFPGAにつながるプログラマブルな旅の始まりだったのです。
1978年、Monolithic Memories Inc.(MMI)の発案で、最初のPALが市場に登場しました。PALは、すぐに標準ロジックに取って代わり始めました。MMIは、標準ロジックに取って代わるためには、既存のPALの性能を向上させ、標準的な0.3インチDIPにパッケージし、プログラミングファイルの開発を簡素化し、5ドル以下の価格である必要があると認識していました。そして彼らは、この4つの条件のうち3つを手に入れることに成功しました。残念ながら、当初は歩留まりが悪く、価格も50ドル近くになってしまいました。
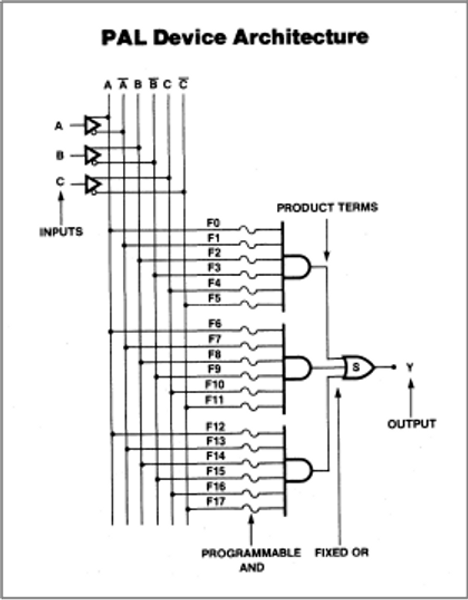
PALのアーキテクチャをご存じのない方のために説明をすると、PALは基本的にプログラマブルアレイを使用して積和演算を実装し、その出力項が固定またはアレイに供給される仕組みになっています。入出力数が異なるもの、登録型フィードバックを含む登録型出力、ANDは配列の出力項の排他的論理和のオプションなどがリリースされました。最終的には、20ピン、24ピンのDIPタイプで40種類近くがリリースされました。
PALはJEDECやHEXファイル形式のヒューズマップから電気的にプログラムされました。Data I/OやStag Microsystemsなどの会社はシングルユニットやギャングプログラマを作りました。MMIは初期のハードウェア記述言語(HDL)コンパイラであるPALASMを導入し、ブール関数とステートテーブルをヒューズマップに変換するようにしました。MMIはPALASMを無償でオープンソースにしました。また、PCの出現に乗じてMS-DOS OSの移植版もリリースされました。

PALが広く普及し、今日のようなプログラマブルな産業が生まれたのは、MS-DOSによるPCサポートとPALASMの使い勝手の良さがあったからです。
PALASM以外にもHDLコンパイラはありました。Data I/OはABELというHDLを持っていて2020年にXilinx ISE Design Suiteで廃止されるまで、買取を繰り返しながら業界を渡り歩いていました。
AMDは1983年に24ピンの22V10を発表し、機能を追加しました。これは、多くの異なるオリジナルのPALの機能を再現するのに十分な汎用性があるため、”V”なのです。AMDは1987年にMMIを買収し、1996年にプログラマブルビジネスをVantisとして独立をさせ、最終的に1999年にLatticeに買収されました。
PALはとっくの昔に絶滅したと思っていたかもしれません。ですが、市場にはまだ需要があり、ロチェスターエレクトロニクスはこの1970年代の名作としてまだ在庫を保有しており、入手ができる状態にしております。
シリーズ第3弾をお楽しみいただけたでしょうか。
ぜひ来月も楽しみにしていてください!


